Retour à la page d'accueil
Produits à comparer
0 articles
gallery image gallery image gallery image

Textes descriptifs et téléchargements

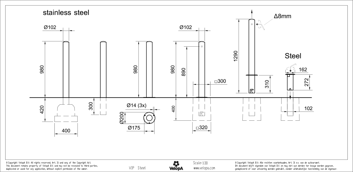
VIP potelet INOX.

Le potelet VIP inox possède une forme élancée. Ce potelet peut facilement participer à l’embellissement de la voirie. Le potelet VIP renforce la sécurité du trafic de jour comme de nuit.

Les prix indiqués ne sont valables que pour une livraison dans le Benelux. Pour une information de prix pour d'autres pays, veuillez envoyer votre demande à info@velopa.be

Détails du produit.

CARACTÉRISTIQUES
- bien visible
- forme épurée
- adapté à tous les styles d’environnement

EXECUTIONS
- modèle fixe avec ou sans bloc de fondation en béton, à enterrer
- modèle fixe avec platine pour un placement sur le sol fini
- modèle amovible avec bloc en béton et serrure triangulaire, à enterrer

ACCESSOIRES
- clef coudée triangulaire pour serrure du VIP amovible
- bouchon de fermeture pour VIP amovible
- bloc de fondation du VIP amovible

MATERIAUX ET FINITIONS
INOX 316, passivé et brossé

SYSTEME DE SERRURE
Le VIP amovible est muni d’une serrure triangulaire. Le potelet est déverrouillé au moyen d’une clef coudée. Le potelet pourra alors être légèrement tourné et enlevé.

;

- Le bloc de fondation des VIP fixes et amovibles doit être enfoui avec sa partie supérieure affleurant le niveau de sol fini.
- Les potelets VIP fixes sans bloc en béton doivent être enterrés.

Tailles.

drawing image

- bevestiging gelijk aan maaiveld door middel van betonvoeten
- bevestiging gelijk aan maaiveld met behulp van chemische ankers

De rekken zijn koppelbaar m.b.v. een montageset.
Het fietsenrek kan ook los op het maaiveld worden geplaatst of verankerd.